首页
|
加入收藏
|
设为首页
关于我们
产品介绍
供货业绩
服务与支持
关于青岛博莱曼
经营理念
组织图
CI/BI
韩国NOW发展沿革
公示栏
人才招聘
联系我们
金属检测机
重量检测机
X射线异物检测机
剔除机及传送机
设备安装照片
合作伙伴
资料室
帮助
提问
二手市场
NWC490
NWC490
NWC450
特点及优点
普通计量型
高速计量型
多列精密计量型
多列高速计量型
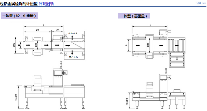
金属检测·重量检测型
不良选别装置
重量检测机(NWC 490)和金属检测机(NMD 530)合并而成的一体型
狭窄的生产车间里可以安装使用金属检测机和重量检测机
单位 mm
重量检测机型号
NWC490
- 30
NWC490
- 60
NWC490
- 120
NWC490
- 120S
金属检测机隧道宽度
200
250
300
200