EAGLE系列
- 자동 탐지 및 자동불량배출
- Simul Task ™ 가 각 탐지 대상을 최적화
- 새 제품을 위한 자동 학습 기능 설정
- 원격 기술 지원을 위한 모뎀 및 이더넷 카드 내장
- 최대 400 FPM(120 MPM)의 고속 이미징
- 완전히 밀폐된 X선 발생장치 및 전원공급장치
- 이음새 없는 컨베이어 벨트
- 가변 속도 드라이브
- 섭씨 0-43도(화씨 32-110도) 범위의 에어컨 냉각, IP65에만 해당
-
Multi-Task ™ 이미징 추가 기능
무게 확인 기능, 선택 영역 무게 측정, 유실 품목 탐지, 비어 있는 상자 탐지 - 작은 이물질을 탐지하기 위한 고성능 탐지기
- 여러 개의 기각 스테이션이 검사 루틴에 연결
- 세 가지 컴베이어 옵션 사용 가능

| 항목 | 기술사양 | |
|---|---|---|
| 기본사양 | 최대 물체 크기 | X-선 투과범위 참조 |
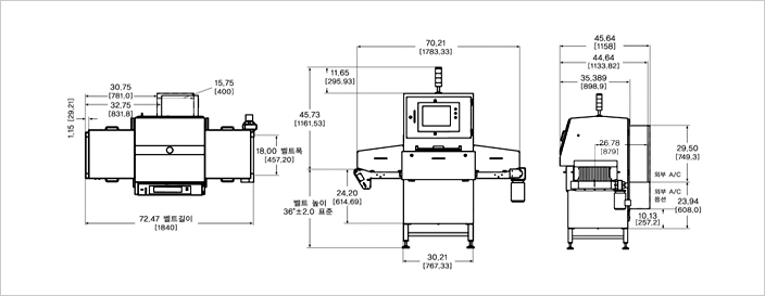
| 컨베이어 높이 | 34" -42" +/-2" (584.2mm-1397mm +/-50mm) | |
| 본관 주파수에서 컨베이어 속도 | 50fpm-400fpm (15mpm-121mpm) · 50Hz/60Hz | |
| 효율 주기 | 100% | |
|
X선 발생장치 |
최대 양극전압 · 냉각 | 140kV · 완전한 오일 밀폐구조 |
| 전류 | 1mA 또는 5mA | |
| 광선 방향 | 상단 중앙, 아래 방향 | |
|
이미지 생성 시스템 |
소프트웨어 | Simul Task ™ 전용 이미지 처리 소프트웨어 |
| 컴퓨터 | 업계 표준 PC Pentium®4 프로세서 3.2GHz, 1GB RAM 장착, Windows XP® OS, 터치 스크린 컬러 모니터, USB 키보드 장착 | |
| 탐지기 | 0.8mm 다이오드 피치, 1.2mm 다이오드 피치 | |
| X선 변환기 | 16비트 A/D 변환기 | |
| 통신 | 입출력 | 입력 신호 4개, 기각 출력 4개, PLC 상태 신호 5개, RS-232 인터페이스를 갖춘 입출력 보드 |
| 기술지원 | 원격 기술 지원을 위한 내장 모뎀 및 Norton PC Anywhere® | |
| 네트워크 | 네트워크 카드 10/100Mbps | |
| 통계 데이터 | 가중치/기각 통계치 사용 가능 형식 : List-CSV, GUI표시, 막대 그래프, SQL데이터베이스 | |








