EAGLE系列
- 용기/병 바닥의 100% 검사 - 사각 지점 없음
- 자동 탐지 및 자동불량배출
- Simul-Task ™ 가 각 탐지 대상을 최적화
- 새 제품을 위한 자동 학습 기능 설정
- 원격 기술 지원을 위한 모뎀 및 이더넷 카드 내장
- 최대 400 FPM(120 MPM)의 고속 이미징
- 완전히 밀폐된 X선 발생장치 및 전원공급장치
- 섭씨 0-43도(화씨 32-110도) 범위의 에어컨 냉각
-
Multi-Task ™ 이미징 추가 기능
무게 확인 기능, 선택 영역 무게 측정, 유실 품목 탐지, 비어 있는 상자 탐지 - 작은 이물질을 탐지하기 위한 고성능 탐지기
- 여러 개의 기각 스테이션이 검사 루틴에 연결
- 컨베이어 옵션 사용 가능

| 항목 | 기술사양 | |
|---|---|---|
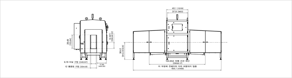
| 기본사양 | 터널 크기 | 폭 9.9" * 높이 37.25" 벨트 상단에서 터널 상단까지 18.25" + /-2" (이 크기는 제품에 따라 다릅니다.) |
| 컨베이어 높이 | 29" -55" (최소 컨베이어 높이는 제품에 따라 다릅니다.) | |
| 본관 주파수에서 컨베이어 속도 | 100fpm-400fpm | |
| 효율 주기 | 100% | |
|
X선 발생장치 |
최대 양극전압 · 냉각 | 140kV · 완전한 오일 밀폐구조 |
| 전류 | 5mA | |
| 광선 방향 | 앞에서 뒤로 벨트에 평행 방향 | |
| 사각광선 | 2개의 이중 광선 튜브에 의해 생성 | |
|
이미지 생성 시스템 |
소프트웨어 | Simul Task ™ 전용 이미지 처리 소프트웨어업계 표준 |
| 컴퓨터 | 업계 표준 PC Pentium®4 프로세서 3.2GHz, 1GB RAM 장착, Windows XP® OS, 터치 스크린 컬러 모니터, USB 키보드 장착 | |
| 탐지기 | 1.2mm 다이오드 피치 | |
| X선 변환기 | 16비트 A/D 변환기 | |
| 통신 | 입출력 | 입력 신호 4개, 기각 출력 4개, PLC 상태 신호 5개, RS-232 인터페이스를 갖춘 입출력 보드 |
| 기술지원 | 원격 기술 지원을 위한 내장 모뎀 및 Norton PC Anywhere® | |
| 네트워크 | 네트워크 카드 10/100Mbps | |
| 통계 데이터 | 가중치/기각 통계치 사용 가능 형식 : List-CSV, GUI표시, 막대 그래프, SQL데이터베이스 | |






